| |
| Low in noise centrifugal air-blower |
|
|
|
| Main technique parameter |
| Model |
DF-1 |
DF-2 |
DF-3 |
DF-4 |
DF-5 |
DF-6 |
DF-7 |
DF-8 |
DF-9 |
| Capacity(m3/h) |
240 |
305 |
405 |
504 |
660 |
850 |
1200 |
1900-2500 |
4200-6300 |
| press(Pa) |
412 |
330 |
450 |
860 |
850 |
1020 |
1210 |
932-1128 |
1275-1470 |
| Power(W) |
90 |
120 |
180 |
250 |
370 |
550 |
750 |
1100 |
2200 |
voltage
(V) |
220 |
220 |
220 |
220 |
220 |
220 |
220 |
220 |
220 |
| 380 |
380 |
380 |
380 |
380 |
380 |
380 |
380 |
380 |
| Speed(r/min) |
2840 |
2840 |
2840 |
2840 |
2840 |
2840 |
2840 |
2800 |
2800 |
| Noise dB(A) |
72 |
72 |
75 |
75 |
76 |
76 |
80 |
68 |
70 |
| Weight(Kg) |
4 |
5.5 |
7.5 |
8.5 |
8.5 |
10 |
12 |
|
|
|
|
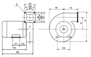
| Install the size: |
| Model |
Motor |
Out the place with a draught |
Machine hull features |
| A1 |
A2 |
A3 |
B1 |
B2 |
B3 |
D |
M |
N |
I |
H |
P |
| DF-1 |
90W |
105 |
85 |
68 |
80 |
62 |
45 |
¢6.5 4Bore |
85 |
95 |
77 |
110 |
70 |
| DF-2 |
120W |
115 |
95 |
52 |
115 |
95 |
52 |
¢6.5 4Bore |
95 |
95 |
87 |
128 |
66 |
| DF-3 |
180W |
115 |
95 |
64 |
115 |
95 |
64 |
¢6.5 4Bore |
95 |
95 |
87 |
128 |
66 |
| DF-4 |
250W |
115 |
96 |
72 |
115 |
96 |
52 |
¢6.5 4Bore |
121 |
112 |
110 |
165 |
108 |
| DF-5 |
370W |
160 |
132 |
100 |
120 |
92 |
52 |
¢6.5 4Bore |
121 |
112 |
110 |
165 |
108 |
| DF-6 |
550W |
120 |
100 |
72 |
120 |
100 |
75 |
¢6.5 4Bore |
150 |
140 |
142 |
191 |
131 |
| DF-7 |
750W |
150 |
126 |
100 |
130 |
106 |
75 |
¢6.5 4Bore |
150 |
140 |
142 |
191 |
131 |
| DF-8 |
1100W |
165 |
135 |
110 |
225 |
200 |
170 |
¢6.5 4Bore |
205 |
180 |
180 |
270 |
160 |
| DF-9 |
2200W |
193 |
165 |
133 |
270 |
245 |
210 |
¢6.5 4Bore |
205 |
165 |
180 |
404 |
160 |
|
| It is original to out place with a draught as left and right 0 °,90 °,180 °,270 °, make to order such as the angular a request for being unsuited to, can according to customer. |
 |
Right
|
 |
 |
 |
 |
Out the breeze angle
|
0 |
90 |
180 |
270 |
| Left |
 |
 |
 |
 |
|